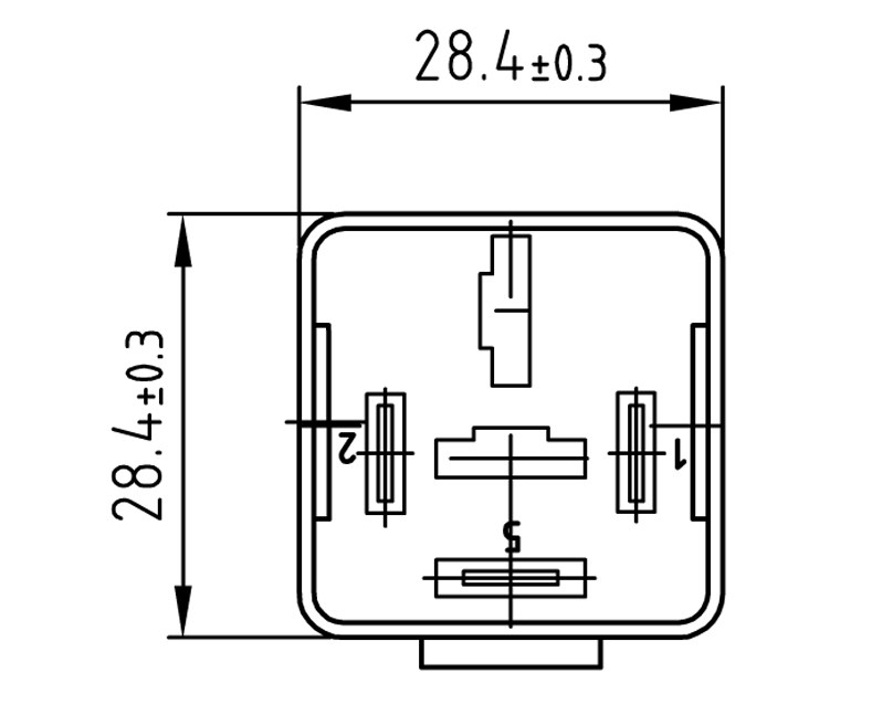
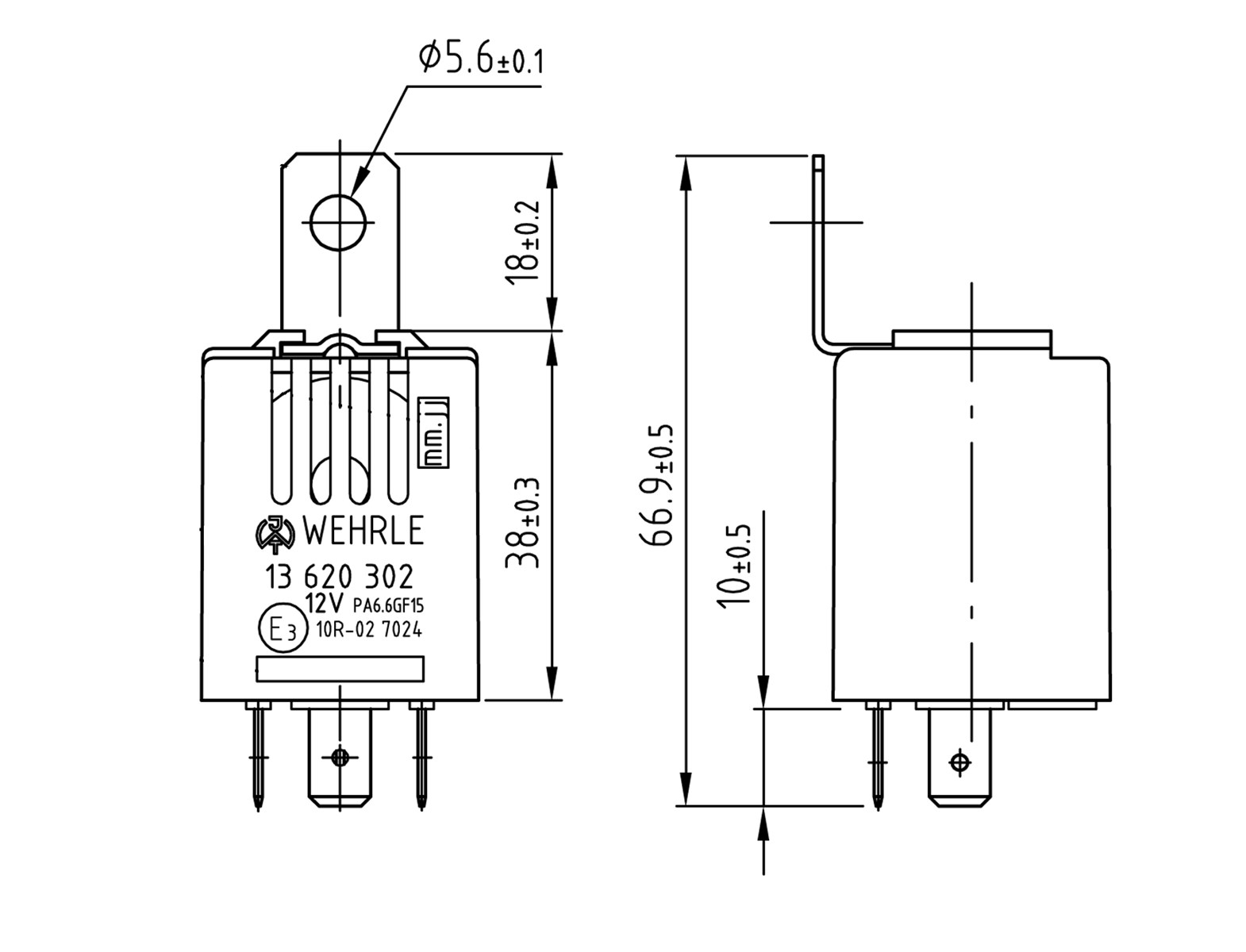
Lights Warning Unit

WE13620302

alternative useable forCitroen: 655544; ERA: 661091; Guilera: 030305; Herth + Buss: 56376103, 75614011, 75614111; Peugeot: 655544, 9609843280; Renault: 7700412030; Wehrle: 13736059
An acoustic warning signal is given
off if doors are opened while lights
are still on. The signal is louder than
usual: >85dB - 30 cm. Can be used in
all french cars. The metal bracket is
enclosed in the packaging.
Pin Unpin No purchase possible
Name
EMail
Phone
Street
Zip code
Country
Your inquiry
Back to overview